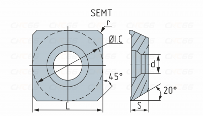
SEMT
Твердосплавные фрезерные пластины SEMT используются для высокоточной обработки заготовок из стали, нержавеющей стали и чугуна. Твердый сплав, используемый для изготовления пластин, обеспечивает износостойкость и высокие прочностные характеристики при интенсивной работе. Область применения торцевые насадные фрезы AСX, CFM245.
    
    
    
    
                                                    
                                                    
                                                    
                                                    
                                                    
                                                    
                                                    
                                                    
                                                    