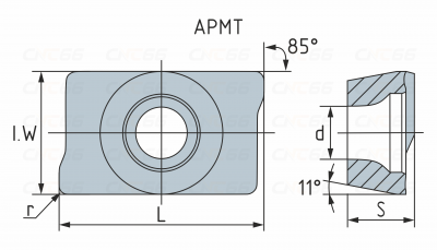
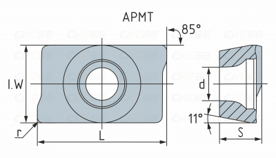
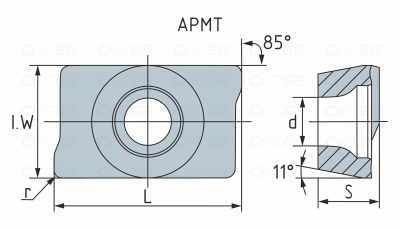
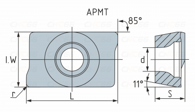
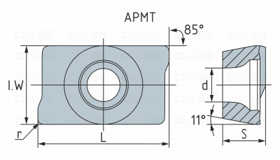
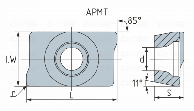
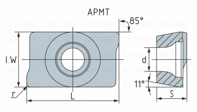
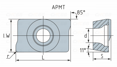
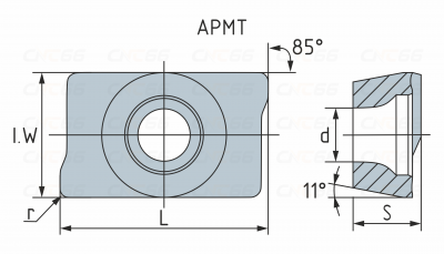
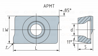
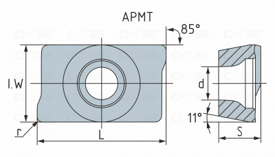
APMT
Твердосплавные фрезерные пластины APMT используются для высокоточной обработки заготовок из стали, нержавеющей стали и чугуна. Твердый сплав, используемый для изготовления пластин, обеспечивает износостойкость и высокие прочностные характеристики при интенсивной работе. Область применения: торцевые насадные фрезы BAP, CSM590; концевые фрезы BAP, PE03, SSM590.
    
    
    
    
                            
                            
                                                    
                                                    
                                                    
                                                    
                                                    
                                                    
                                                    
                                                    
                                                    
                                                    
                                                    
                                                    
                                                    
                                                    
                                                    
                                                    
                                                    
                                                    
                                                    
                                                    